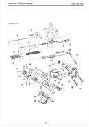
202-37600 Spring, used on the Lister Petter TX, TS and TR series line of engines.


Price:
Sale price$ 14.50

Description

202-37600 Spring, Governor part used on the TX, TS and TR series engine speed control systems.

This will be item number 32 in the Lister Petter TX parts drawing.


Payment & Security

American Express Apple Pay Discover Google Pay Mastercard PayPal Shop Pay Visa

Your payment information is processed securely. We do not store credit card details nor have access to your credit card information.

Estimate shipping

You may also like

Recently viewed